| Kromar Product Code (APC) | 462.17 |
|---|---|
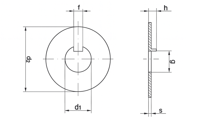
| Diş Ölçüsü | M17 (17mm) |
| Malzeme | Paslanmaz Çelik (A2) |
| Yüzey İşlemi | Doğal |
| Toplam Kalınlık (L) | 3mm |
| Kalınlık (T) | 1mm |
| Kafa Çapı (D) | 32mm |
| Üretim Standartı | DIN 462 (A2) |
| Metrik / Whitworth | Metrik |
Teknik verilerde hata olduğunu düşünüyorsanız Bize bildirin.
İçten Dişli Kilit Rondela (DIN 462)
DIN 462, bağlantı elemanlarının sabit kalmasını sağlamak amacıyla kullanılan, iç kısmında dişli çıkıntılar bulunan özel bir rondela tipidir. Bu çıkıntılar, montaj sırasında cıvata ya da somun üzerine baskı yaparak gevşemeyi önleyici kilitleme etkisi oluşturur. Standart pullardan farklı olarak, bağlantı elemanının altına yerleştirildiğinde kendiliğinden sıkışır ve titreşimli ortamlarda bile bağlantının sabit kalmasına yardımcı olur.
İçten dişli yapısı sayesinde, pul cıvata gövdesine içten tutunur ve dönmesini engeller. Bu sayede özellikle yüksek titreşimli veya dinamik bağlantılarda ekstra güvenlik sağlar.
DIN 462 içten dişli kilit rondelalar, A2 ve A4 kalite paslanmaz çelik malzeme seçenekleriyle temin edilebilir. Paslanmaz yapısı, dış ortam koşullarında uzun ömürlü performans sunar. Ürün ayrıca, isteğe bağlı olarak Kromar’ın karartma (siyah oksidasyon) ve kuru film yağlama hizmetleriyle fonksiyonel ve görsel olarak özelleştirilebilir.
Kullanım Alanları
DIN 462 içten dişli kilit rondelalar; elektrik panoları, otomotiv, makine montajları, raylı sistemler, sanayi ekipmanları ve sürekli hareket veya titreşim altında çalışan sistemlerde tercih edilir. Bağlantı elemanlarının sabit kalmasını ve uzun süreli güvenilirliği garanti eder.
|
içinde sipariş verirseniz bugün kargoda |
| ₺1.500,00 TL ve üzeri ücretsiz kargo |
Daha fazla ürün için lütfen Teklif Alın.
Cıvatalar
Vidalar
Somunlar
Pullar
Segman ve Gresörlük
Pim, Perçin, Kama ve Dübel
Boru Bağlantı ve Kelepçe
