| Kromar Product Code (APC) | 6912.04.008 |
|---|---|
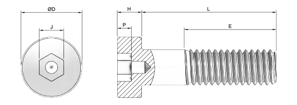
| Diş Ölçüsü | M4 (4mm) |
| Uzunluk (L) | 8mm |
| Kafa Çapı (D) | 7mm |
| Malzeme | Paslanmaz Çelik (A2) |
| Yüzey İşlemi | Doğal |
| Kafa Yüksekliği (H) | 2.8mm |
| Üretim Standartı | DIN 6912 (A2) |
| Metrik / Whitworth | Metrik |
| Vida Diş Aralığı | 0.7mm |
| Soket Derinliği (P) | 1.6mm |
| Soket Ölçüsü (J) | 3mm |
| Diş Boyu (Min) (E) | 4.5mm |
Teknik verilerde hata olduğunu düşünüyorsanız Bize bildirin.
İnce Kafalı İmbus Cıvata (DIN 6912)
DIN 6912 standardı, alçak profilli silindirik başlı ve içten alyen (imbus) soketli bağlantı cıvatalarını tanımlar. İnce kafa yapısı sayesinde dar montaj alanlarında kullanıma uygundur. Baş kısmının alçak yapıda olması, çıkıntısız bağlantı isteyen uygulamalarda tercih sebebidir. İçten imbussoket yapısı, yüksek torkla güvenli sıkma imkânı sağlar.
İnce kafa imbus cıvatalar; karbon çeliği, alaşımlı çelik ya da paslanmaz çelik (A2, A4) gibi malzemelerden temin edilir. 8.8, 10.9 ve 12.9 gibi yüksek mukavemet sınıflarında sunulur. Diş yapısı metrik sistemdedir ve çoğunlukla kaba diş adımı kullanılır. Kromarge hizmetimiz kapsamında sunulan karartma (siyah oksidasyon) ve kuru film yağlama uygulamaları sayesinde korozyon dayanımı, sürtünme azaltımı ve estetik bütünlük sağlanabilir.
Kullanım Alanları
DIN 6912 ince kafa imbus cıvatalar; kalıp montajları, makine parçaları, otomotiv ekipmanları, dar boşluklu montaj bölgeleri ve çıkıntısız bağlantı gerektiren tüm teknik uygulamalarda kullanılır. Yüksek dayanım ve kompakt tasarımın birlikte arandığı sistemler için ideal bir çözümdür.
|
içinde sipariş verirseniz bugün kargoda |
| ₺1.500,00 TL ve üzeri ücretsiz kargo |
Daha fazla ürün için lütfen Teklif Alın.
Cıvatalar
Vidalar
Somunlar
Pullar
Segman ve Gresörlük
Pim, Perçin, Kama ve Dübel
Boru Bağlantı ve Kelepçe
